1、什么是六轴陀螺仪
士兰微SC7I22六轴陀螺仪是一种结合了三轴陀螺仪和三轴加速度计的传感器,它能够测量物体在三个轴向上的旋转速度(角速度)和加速度,同时也能感知物体的姿态和角度变化。
2、六轴陀螺仪的应用
六轴陀螺仪在无人机、飞行器和机器人等领域被广泛使用。它能够帮助这些设备实现更高精度的旋转控制和运动稳定,从而提高其飞行或工作效率。例如,在无人机或机器人中,六轴陀螺仪可以用于维持方向稳定性,以及在运动过程中进行精确的姿态调整。
3、工作原理
六轴陀螺仪的工作原理基于微电子技术和力学原理。当物体发生线性加速度或旋转时,陀螺仪和加速度计都会受到相应的作用力。陀螺仪通过检测微小振动的方式来测量物体的旋转角速度,而三轴加速度计则利用质量加速度的原理来测量物体的线性运动加速度。这些测量值经过运算后,可以得到物体的旋转角度和线性运动状态。
总之,六轴陀螺仪是一种高精度的传感器,能够提供更加全面的运动信息,包括物体的姿态、角速度和加速度等,对于实现精确控制和导航具有重要的作用
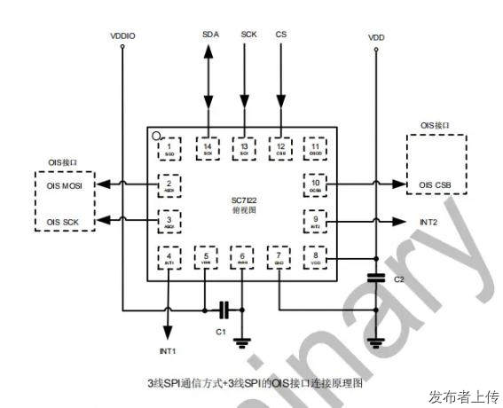
4、主要特点
模拟供电电压范围 1.71~ 3.6V;
低功耗:整体联合低功耗模式 450uA;整体联合高性能模式 970uA;
加速度计:±2/±4/±8/±16G 满量程;
陀螺仪:±125/±250/±500/±1000/±2000dps 满量程;
紧凑型标准 LGA14 的封装,2.5mm*3mm*1.00mm;
提供 SPI 和 IIC 串行接口;
内嵌温度传感器;
Sensor Time 功能
6D/4D 方向检测
OIS(ODR=6.4kHz)功能
内嵌自测试功能
内嵌 FIFO
10000g 高 G 抗击能力













